地面驱动螺杆泵
工作原理

地面驱动装置通过控制系统控制电机,利用驱动方卡、光杆及抽油杆将动力传递到转子,定子与转子螺旋状过盈配合形成连续密封的腔体,通过转子的旋转运动实现对介质的传递。随着转子的转动,在吸入端转子与定子橡胶衬套内表面间会不断形成密封腔室,并向排出端推移,最后在排出端消失,油液在吸入端压差的作用下被吸入,并由吸入端推挤到排出端,压力不断升高,流量非常均匀。

产品特点

1、螺杆泵与电动潜油泵、水力活塞泵及抽油机相比,结构简单,一次性投资低。
2、地面装置结构简单,安装方便,可直接与井口套管四通连接,占地面积小。
3、泵效高,节能、管理费用低。泵容积效率可达90%,它是现有机械采油设备中能耗最小、效率较高的机种之一。
4、适应粘度范围广,可以举升稠油。
5、适应高含砂井、高含气井。
6、允许井口有较高回压,井口回压控制在1.5MPa以内或更高,对边远井集输很有利。

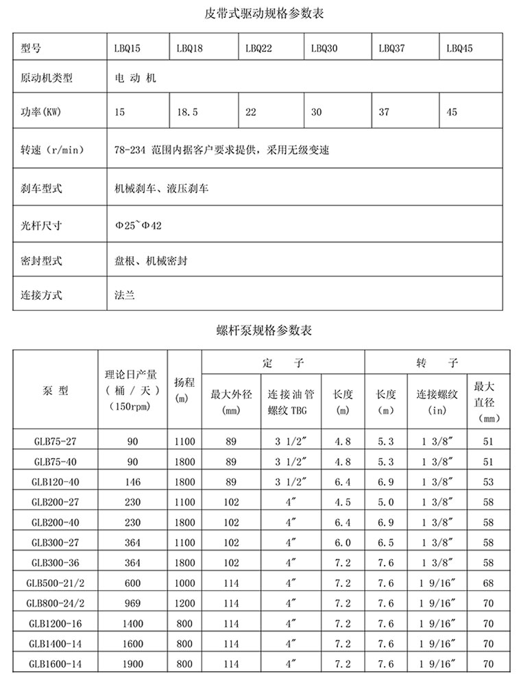
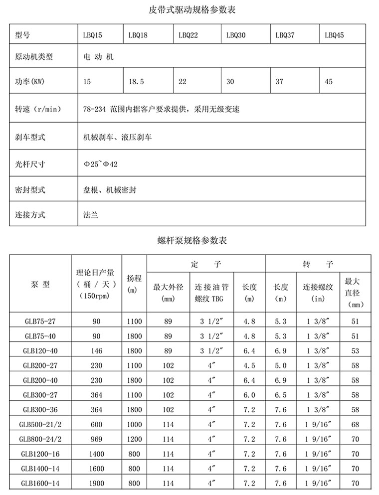
规格参数

相关产品